옵틱 클라우드의 Laser Diode - DFB 제품들 입니다.

상호 : 옵틱 클라우드
대표자 : 박기태
연락처 : 042-710-8380
FAX : 042-710-8381
이메일 : sales@opticcloud.co.kr
사업장 주소 : 대전광역시 대덕구 대화로106번길 66, 1023호 (대화동, 펜타플렉스)
사업자등록번호 : 630-38-01201
통신판매업 2023-대전유성-1755
Copyright ⓒ 2023 옵틱 클라우드 All rights reserved.
Product model
PL-DFB-780-C-A81-14FSCOCentral wavelength: 780nm
Output power: 100mW
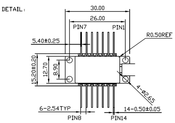
Package: 14pin - BF
Parameter
● With hermetic 14 Pin-Butterfly Housing (RoHS compliant)
● With integrated Beam Collimation
● Including Monitor Diode, Thermoelectric Cooler and Thermistor
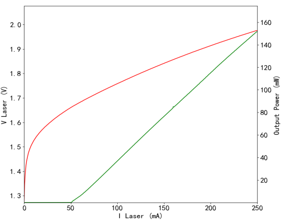
Tsub=25°C, CW bias unless stated otherwise
Parameter
Symbol
Min
Typ
Max
Unit
Centre Wavelength
λ
777
780
785
nm
Side Mode Suppression Ratio
SMSR
30
40
dB
Threshold Current
Ith
20
50
mA
Operating Current
Iop
200
250
mA
Chip output Power
Pf
100
150
mW
Quantum Efficiency
η
0.4
0.45
mW/mA
Current Tuning Coefficient
∆λ/∆I
0.015
nm/mA
Temperature Tuning Coefficient
∆λ/∆T
0.12
nm/K
Forward Voltage
Vf
1.3
2
V
Thermistor Resistance
RT
9.5
10
10.5
KΩ
Thermistor Temp. Coefficient
-4.4
%/°C
Line width
LW
500
1000
kHz
Relative Intensity Noise
RIN
-135
-140
-145
dB/Hz
Isolation
ISO
30
dB
Spectrum
Tuning Characteristics
L-I Curve
DFB Linewidth Testing Result
Wavelength Stability
Power Stability
Beam Quality Profiler (2D/3D)
3D
● Metrology
● Magnetometer
PL-DFB-□□□□-☆-A8▽-14FSCO
□□□□: Wavelength
780: 780nm
*****
1653.7: 1653.7nm
☆: Output Power
A: 30mW
B: 50mW
C: 100mw
▽: Wavelength Tolerance
1: ±1nm