The PL-DFB-795-A-A81 795nm DFB laser diode module made by LD-PD is a cost effective, highly coherent laser source. The DFB laser diode chip is packaged in an industry standard hermetically sealed 14 pin butterfly package with TEC and PD Built in.We special design the area only work in room Temperature. Our diode has good performance from 20-30℃.
Product model
| 795nm DFB PM Laser diode |
PL-DFB-795-A-A81-PA | Central wavelength 795nm, Output power 40mW, Narrow Linewidth < 2MHz, Tolerance ±1nm, PM780 Fiber, FC/APC | Central wavelength: 795nm Output power: 40mW Package: 14pin - BF |
| 795nm DFB SM Laser diode |
PL-DFB-795-A-A81-SA | Central wavelength 795nm, Output power 40mW, Narrow Linewidth < 2MHz, Tolerance ±1nm, HI780, FC/APC | Central wavelength: 795nm Output power: 40mW Package: 14pin - BF |
Parameter
Features
● Narrow Linewidth < 2MHz
● Excellent wavelength control and stability
● Industry Standard 14 pin Butterfly package
● Mode-Hop free tuning
● Excellant reliability
● Customer specific wavelengths available
Laser Specifications
Electrical/Optical Characteristics(Tsub=25°C, CW bias unless stated otherwise)
Parameter | Symbol | Min | Typ | Max | Unit |
Centre Wavelength | λ | 794.5 | 795.0 | 795.5 | nm |
Side Mode Suppression Ratio | SMSR | 30 | 40 |
| dB |
Threshold Current | Ith |
| 20 | 30 | mA |
Operating Current | Iop |
| 150 | 250 | mA |
Operation Temperature | Top | 15 | 25 | 45 | ℃ |
Chip output Power | Pf | 30 | 40 | 50 | mW |
Quantum Efficiency | η | 0.08 | 0.12 |
| mW/mA |
Current Tuning Coefficient | ∆λ/∆I |
| 0.015 |
| nm/mA |
Temperature Tuning Coefficient | ∆λ/∆T |
| 0.12 |
| nm/K |
Forward Voltage | Vf |
| 1.3 | 2 | V |
Thermistor Resistance | RT | 9.5 | 10 | 10.5 | KΩ |
Thermistor Temp. Coefficient |
|
| -4.4 |
| %/°C |
Connector | FC/APC |
Spectrum
![UZ$2U)JE_S85(1H]VV@HPTN.png UZ$2U)JE_S85(1H]VV@HPTN.png](https://cdn.imweb.me/upload/S2023032746547cd5df3e1/7f8fb171dbadd.png)
Tuning Characteristics

DFB Linewidth Testing Result

L-I Curve

Panda PM980 Fiber Nominal Characteristics and Tolerances
Parameters | Specification |
Fiber Bend Radius | 3cm |
Max Attenuation | 2.1dB/km |
Cladding Diameter | 125um |
Coating Diameter | 250um |
Core Cladding Concentricity | ≤0.5um |
Mode Field diameter | 6.6um |
NA=0.12;FC/APC (narrow key)

Note: The PM fiber and the connector key are aligned to the slow axis,fast axis is blocked
Thermistor specs
Parameters | Value | Unit |
Thermistor Type | NTC |
|
Resitance@25deg | 10000 | ohm |
Resistance Tol.± | 1 | % |
Beta 0-50 deg | 3375 | K |
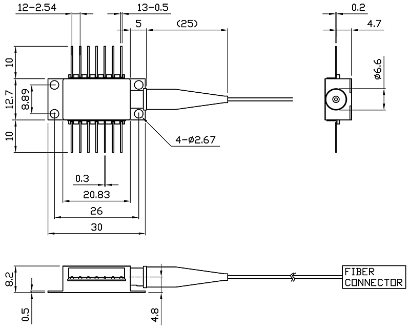
Package Size

Pin definition

1 | Thermoelectric Cooler (+) | 8 | N/C |
2 | Thermistor | 9 | N/C |
3 | PD Monitor Anode (-) | 10 | Laser Anode (+) |
4 | PD Monitor Cathode (+) | 11 | Laser Cathode (–) |
5 | Thermistor | 12 | N/C |
6 | N/C | 13 | Case Ground |
7 | N/C | 14 | Thermoelectric Cooler (–) |
Absolute Maximum Ratings
Item | Unit | Min | Typ | Max |
Case Temperature | ℃ | -5 | 25 | 70 |
Chip Temperature | ℃ | +10 | 25 | 30 |
Operating Current | mA | 0 | 120 | 250 |
Diode Forward Current in Pulse operation | mA |
| 450 | 600 |
Forward Voltage | V | 0.8 | 1.2 | 2.0 |
TEC Current | A | - | - | 3 |
TEC Voltage | V |
|
| 4 |
Reverse Voltage(LD) | V | - | - | 2.0 |
Reverse Voltage(PD) | V | - | - | 20 |
Application
● Tunable diode laser absorption spectroscopy
● Seed laser
● Fiber laser
Ordering Info
PL-DFB-□□□□-☆-A8▽-XX
□□□□:Wavelength
795: 795nm
1532: 1532nm
1392: 1392nm
1512: 1512nm
1567: 1567nm
*****
1653.7: 1653.7nm
☆: Output Power
A:40mW
B:70mW
▽:Wavelength Tolerance
1:±1nm
2:±2nm
XX: Fiber and Connector Type
SA=HI780+ FC/APC
SP=HI780+ FC/PC
PA=PM980 Fiber+ FC/APC
PP=PM980 Fiber+ FC/PC
Product model
PL-DFB-795-A-A81-PACentral wavelength: 795nm
Output power: 40mW
Package: 14pin - BF
PL-DFB-795-A-A81-SACentral wavelength: 795nm
Output power: 40mW
Package: 14pin - BF
Parameter
● Narrow Linewidth < 2MHz
● Excellent wavelength control and stability
● Industry Standard 14 pin Butterfly package
● Mode-Hop free tuning
● Excellant reliability
● Customer specific wavelengths available
Electrical/Optical Characteristics(Tsub=25°C, CW bias unless stated otherwise)
Parameter
Symbol
Min
Typ
Max
Unit
Centre Wavelength
λ
794.5
795.0
795.5
nm
Side Mode Suppression Ratio
SMSR
30
40
dB
Threshold Current
Ith
20
30
mA
Operating Current
Iop
150
250
mA
Operation Temperature
Top
15
25
45
℃
Chip output Power
Pf
30
40
50
mW
Quantum Efficiency
η
0.08
0.12
mW/mA
Current Tuning Coefficient
∆λ/∆I
0.015
nm/mA
Temperature Tuning Coefficient
∆λ/∆T
0.12
nm/K
Forward Voltage
Vf
1.3
2
V
Thermistor Resistance
RT
9.5
10
10.5
KΩ
Thermistor Temp. Coefficient
-4.4
%/°C
Connector
FC/APC
Spectrum
Tuning Characteristics
DFB Linewidth Testing Result
L-I Curve
Panda PM980 Fiber Nominal Characteristics and Tolerances
Parameters
Specification
Fiber Bend Radius
3cm
Max Attenuation
2.1dB/km
Cladding Diameter
125um
Coating Diameter
250um
Core Cladding Concentricity
≤0.5um
Mode Field diameter
6.6um
NA=0.12;FC/APC (narrow key)
Note: The PM fiber and the connector key are aligned to the slow axis,fast axis is blocked
Thermistor specs
Parameters
Value
Unit
Thermistor Type
NTC
Resitance@25deg
10000
ohm
Resistance Tol.±
1
%
Beta 0-50 deg
3375
K
1
Thermoelectric Cooler (+)
8
N/C
2
Thermistor
9
N/C
3
PD Monitor Anode (-)
10
Laser Anode (+)
4
PD Monitor Cathode (+)
11
Laser Cathode (–)
5
Thermistor
12
N/C
6
N/C
13
Case Ground
7
N/C
14
Thermoelectric Cooler (–)
Absolute Maximum Ratings
Item
Unit
Min
Typ
Max
Case Temperature
-5
25
70
Chip Temperature
℃
+10
25
30
Operating Current
mA
0
120
250
Diode Forward Current in Pulse operation
mA
450
600
Forward Voltage
V
0.8
1.2
2.0
TEC Current
A
-
-
3
TEC Voltage
V
4
Reverse Voltage(LD)
V
-
-
2.0
Reverse Voltage(PD)
V
-
-
20
● Tunable diode laser absorption spectroscopy
● Seed laser
● Fiber laser
PL-DFB-□□□□-☆-A8▽-XX
□□□□:Wavelength
795: 795nm
1532: 1532nm
1392: 1392nm
1512: 1512nm
1567: 1567nm
*****
1653.7: 1653.7nm
☆: Output Power
A:40mW
B:70mW
▽:Wavelength Tolerance
1:±1nm
2:±2nm
XX: Fiber and Connector Type
SA=HI780+ FC/APC
SP=HI780+ FC/PC
PA=PM980 Fiber+ FC/APC
PP=PM980 Fiber+ FC/PC