옵틱 클라우드의 Laser Diode - DFB 제품들 입니다.

상호 : 옵틱 클라우드
대표자 : 박기태
연락처 : 042-710-8380
FAX : 042-710-8381
이메일 : sales@opticcloud.co.kr
사업장 주소 : 대전광역시 대덕구 대화로106번길 66, 1023호 (대화동, 펜타플렉스)
사업자등록번호 : 630-38-01201
통신판매업 2023-대전유성-1755
Copyright ⓒ 2023 옵틱 클라우드 All rights reserved.
The PL-DFB-828-A-A81 828nm DFB laser diode module made by LD-PD is a cost effective, highly coherent laser source. The DFB laser diode chip is packaged in an industry standard hermetically sealed 14 pin butterfly package with TEC and PD Built in.We special design the area only work in room Temperature. Our diode has good performance from 20-30℃.
Product model
PL-DFB-828-A-A81-SACentral wavelength: 828nm
Output power: 20mW
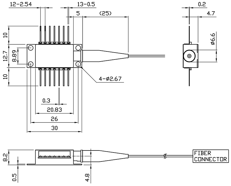
Package: 14pin - BF
PL-DFB-828-A-A81-PACentral wavelength: 828nm
Output power: 20mW
Package: 14pin - BF
Parameter
● Narrow Linewidth < 2MHz
● Excellent wavelength control and stability
● Industry Standard 14 pin Butterfly package
● Mode-Hop free tuning
● Excellant reliability
● Customer specific wavelengths available
Tsub=25°C, CW bias unless stated otherwise
Parameter
Symbol
Min
Typ
Max
Unit
Centre Wavelength
λ
827.5
828.0
828.5
nm
Side Mode Suppression Ratio
SMSR
30
40
dB
Threshold Current
Ith
20
30
mA
Operating Current
Iop
80
120
mA
Chip output Power
Pf
10
20
30
mW
Quantum Efficiency
η
0.08
0.12
mW/mA
Current Tuning Coefficient
∆λ/∆I
0.015
nm/mA
Temperature Tuning Coefficient
∆λ/∆T
0.12
nm/K
Forward Voltage
Vf
1.3
2
V
Thermistor Resistance
RT
9.5
10
10.5
KΩ
Thermistor Temp. Coefficient
-4.4
%/°C
Connector
FC/APC
Spectrum
L-I Curve
Tuning characteristics
DFB Linewidth Testing Result
Beam Quality
3D
1
Thermoelectric Cooler (+)
8
N/C
2
Thermistor
9
N/C
3
PD Monitor Anode (-)
10
Laser Anode (+)
4
PD Monitor Cathode (+)
11
Laser Cathode (–)
5
Thermistor
12
N/C
6
N/C
13
Case Ground
7
N/C
14
Thermoelectric Cooler (–)
Absolute Maximum Ratings
Item
Unit
Min
Typ
Max
Case Temperature
℃
-5
25
70
Chip Temperature
℃
+10
25
40
Operating Current
mA
0
180
250
Forward Voltage
V
0.8
1.2
2.1
TEC Current
A
-
1.2
1.2
Reverse Voltage(LD)
V
-
-
2.0
Reverse Voltage(PD)
V
-
-
20
● Tunable diode laser absorption spectroscopy
● Seed laser
● Fiber laser
PL-DFB-□□□□-☆-A8▽-XX
□□□□: Wavelength
828: 828nm
1392: 1392nm
1512: 1512nm
1567: 1567nm
*****
1653.7: 1653.7nm
☆ : Output Power
A: 20mW
B: 50mW
▽: Wavelength Tolerance
1: ±1nm
2: ±2nm
XX: Fiber and Connector Type
SA=HI780+ FC/APC
SP=HI780+ FC/PC
PA=PM980 Fiber+ FC/APC
PP=PM980 Fiber+ FC/PC