옵틱 클라우드의 Laser Diode - DFB 제품들 입니다.

상호 : 옵틱 클라우드
대표자 : 박기태
연락처 : 042-710-8380
FAX : 042-710-8381
이메일 : sales@opticcloud.co.kr
사업장 주소 : 대전광역시 대덕구 대화로106번길 66, 1023호 (대화동, 펜타플렉스)
사업자등록번호 : 630-38-01201
통신판매업 2023-대전유성-1755
Copyright ⓒ 2023 옵틱 클라우드 All rights reserved.
Product model
PL-DFB-850-A-A81-SACentral wavelength: 850nm
Output power: 20mW
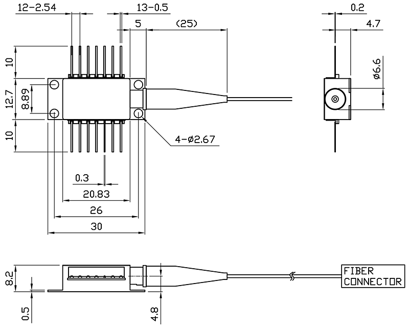
Package: 14pin - BF
PL-DFB-850-A-A81-PACentral wavelength: 850nm
Output power: 20mW
Package: 14pin - BF
Parameter
● Narrow Linewidth < 2MHz
● Excellent wavelength control and stability
● Industry Standard 14 pin Butterfly package
● Mode-Hop free tuning
● Excellant reliability
● Customer specific wavelengths available
Tsub=25°C, CW bias unless stated otherwise
Parameter
Symbol
Min
Typ
Max
Unit
Centre Wavelength
λ
849.5
850.0
850.5
nm
Side Mode Suppression Ratio
SMSR
30
40
dB
Threshold Current
Ith
20
30
mA
Operating Current
Iop
80
120
mA
Chip output Power
Pf
10
20
30
mW
Quantum Efficiency
η
0.08
0.22
mW/mA
Current Tuning Coefficient
∆λ/∆I
0.002
nm/mA
Temperature Tuning Coefficient
∆λ/∆T
0.05
nm/K
Forward Voltage
Vf
1.3
2
V
Thermistor Resistance
RT
9.5
10
10.5
KΩ
Thermistor Temp. Coefficient
-4.4
%/°C
Connector
FC/APC
Spectrum
L-I Curve
Tuning characteristics
DFB Linewidth Testing Result
Beam Quality
3D
1
Thermoelectric Cooler (+)
8
N/C
2
Thermistor
9
N/C
3
PD Monitor Anode (-)
10
Laser Anode (+)
4
PD Monitor Cathode (+)
11
Laser Cathode (–)
5
Thermistor
12
N/C
6
N/C
13
Case Ground
7
N/C
14
Thermoelectric Cooler (–)
Absolute Maximum Ratings
Item
Unit
Min
Typ
Max
Case Temperature
℃
-5
25
70
Chip Temperature
℃
+10
25
40
Operating Current
mA
0
180
250
Forward Voltage
V
0.8
1.2
2.1
TEC Current
A
-
1.2
1.2
Reverse Voltage(LD)
V
-
-
2.0
Reverse Voltage(PD)
V
-
-
20
● Tunable diode laser absorption spectroscopy
● Seed laser
● Fiber laser
PL-DFB-□□□□-☆-A8▽-XX
□□□□: Wavelength
850: 850nm
1392: 1392nm
1512: 1512nm
1567: 1567nm
*****
1653.7: 1653.7nm
☆ : Output Power
A: 20mW
B: 50mW
▽: Wavelength Tolerance
1: ±1nm
2: ±2nm
XX: Fiber and Connector Type
SA=HI780+ FC/APC
SP=HI780+ FC/PC
PA=PM980 Fiber+ FC/APC
PP=PM980 Fiber+ FC/PC