The PL-DFB-852-A-A81-SA 852nm DFB laser diode module made by LD-PD is a cost effective, highly coherent laser source. The DFB laser diode chip is packaged in an industry standard hermetically sealed 14 pin butterfly package with TEC and PD Built in.We special design the area only work in room Temperature. Our diode has good performance from 20-30℃.
Product model
| 852nm DFB PM Laser diode |
PL-DFB-852-A-A81-PA-R | Central wavelength 852nm, Output power 40mW, Narrow Linewidth < 2MHz, Tolerance ±1nm, PM850 Fiber, FC/APC | Central wavelength: 852nm Output power: 40mW Package: 14pin - BF |
| 852nm DFB SM Laser diode |
PL-DFB-852-A-A81-SA-R | Central wavelength 852nm, Output power 40mW, Narrow Linewidth < 2MHz, Tolerance ±1nm, HI780, FC/APC | Central wavelength: 852nm Output power: 40mW Package: 14pin - BF |
Parameter
Features
● Narrow Linewidth < 2MHz
● Excellent wavelength control and stability
● Industry Standard 14 pin Butterfly package
● Mode-Hop free tuning
● Excellant reliability
● Customer specific wavelengths available
Laser Specifications
Electrical/Optical Characteristics ( Tsub=25°C, CW bias unless stated otherwise )
Parameter | Symbol | Min | Typ | Max | Unit |
Centre Wavelength | λ | 851.0 | 852.0 | 853.0 | nm |
Side Mode Suppression Ratio | SMSR | 30 | 40 |
| dB |
Threshold Current | Ith |
| 20 | 30 | mA |
Operating Current | Iop |
| 120 | 150 | mA |
Operation Temperature | Top | 20 | 25 | 30 | ℃ |
Chip output Power | Pf | 50 | 70 | 90 | mW |
Quantum Efficiency | η | 0.08 | 0.12 |
| mW/mA |
Current Tuning Coefficient | ∆λ/∆I |
| 0.015 |
| nm/mA |
Temperature Tuning Coefficient | ∆λ/∆T |
| 0.12 |
| nm/K |
Forward Voltage | Vf |
| 1.3 | 2 | V |
Thermistor Resistance | RT | 9.5 | 10 | 10.5 | KΩ |
Thermistor Temp. Coefficient |
|
| -4.4 |
| %/°C |
Connector | FC/APC |
Note: All the performance we can guarantee at operation temperature from 20-30deg.
Spectrum

Wavelength Stability
![`_35]P0R_)8S1@@8OLM~$ZA.png](https://cdn.imweb.me/upload/S2023032746547cd5df3e1/c775e0b1f2e80.png)

![CZLRQP{M40]}YKB]3{)P2~Q.png](https://cdn.imweb.me/upload/S2023032746547cd5df3e1/c7244f88acd34.png)
Tuning Characteristics

L-I Curve

Wavelength Stability

DFB Linewidth Testing Result

RIN level Test Results

Panda PM980 Fiber Nominal Characteristics and Tolerances
Parameters | Specification |
Fiber Bend Radius | 3cm |
Max Attenuation | 2.1dB/km |
Cladding Diameter | 125um |
Coating Diameter | 250um |
Core Cladding Concentricity | ≤0.5um |
Mode Field diameter | 6.6um |
NA=0.12; FC/APC (narrow key)

The output light is polarized along the slow axis of PM fiber
Thermistor specs
Parameters | Value | Unit |
Thermistor Type | NTC |
|
Resitance@25deg | 10000 | ohm |
Resistance Tol.± | 1 | % |
Beta 0-50 deg | 3375 | K |
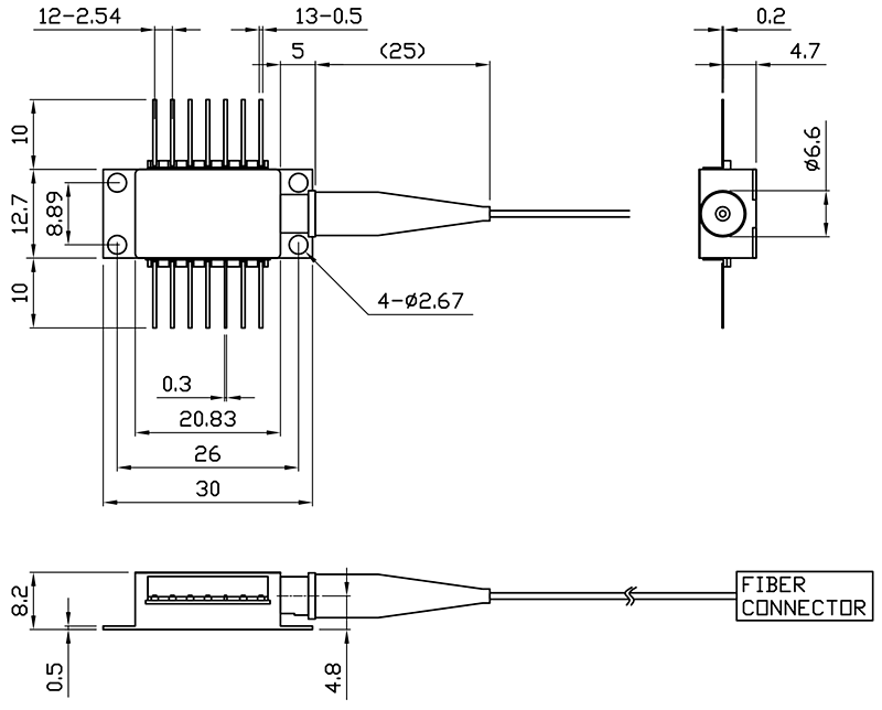
Package Size

Pin definition

1 | Thermoelectric Cooler (+) | 8 | N/C |
2 | Thermistor | 9 | N/C |
3 | PD Monitor Anode (-) | 10 | Laser Anode (+) |
4 | PD Monitor Cathode (+) | 11 | Laser Cathode (–) |
5 | Thermistor | 12 | N/C |
6 | N/C | 13 | Case Ground |
7 | N/C | 14 | Thermoelectric Cooler (–) |
Absolute Maximum Ratings
Item | Unit | Min | Typ | Max |
Case Temperature | ℃ | -5 | 25 | 70 |
Chip Temperature | ℃ | 20 | 25 | 40 |
Operating Current | mA | 0 | 120 | 150 |
Forward Voltage | V | 0.8 | 1.2 | 2.0 |
TEC Current | A | - | - | 3.0 |
TEC Voltage | V |
|
| 4 |
Reverse Voltage(LD) | V | - | - | 2.0 |
Reverse Voltage(PD) | V | - | - | 20 |
Application
● Tunable diode laser absorption spectroscopy
● Seed laser
● Fiber laser
Ordering Info
PL-DFB-□□□□-☆-A8▽-XX-R (R Stands for Room Temperature)
□□□□:Wavelength
852: 852nm
1532: 1532nm
1392: 1392nm
1512: 1512nm
1567: 1567nm
*****
1653.7: 1653.7nm
☆ : Output Power
A: 40mW
B: 70mW
▽: Wavelength Tolerance
1: ±1nm
2: ±2nm
XX: Fiber and Connector Type
SA=HI780+ FC/APC
SP=HI780+ FC/PC
PA=PM980 Fiber+ FC/APC
PP=PM980 Fiber+ FC/PC
Product model
PL-DFB-852-A-A81-PA-RCentral wavelength: 852nm
Output power: 40mW
Package: 14pin - BF
PL-DFB-852-A-A81-SA-RCentral wavelength: 852nm
Output power: 40mW
Package: 14pin - BF
Parameter
● Narrow Linewidth < 2MHz
● Excellent wavelength control and stability
● Industry Standard 14 pin Butterfly package
● Mode-Hop free tuning
● Excellant reliability
● Customer specific wavelengths available
Electrical/Optical Characteristics ( Tsub=25°C, CW bias unless stated otherwise )
Parameter
Symbol
Min
Typ
Max
Unit
Centre Wavelength
λ
851.0
852.0
853.0
nm
Side Mode Suppression Ratio
SMSR
30
40
dB
Threshold Current
Ith
20
30
mA
Operating Current
Iop
120
150
mA
Operation Temperature
Top
20
25
30
℃
Chip output Power
Pf
50
70
90
mW
Quantum Efficiency
η
0.08
0.12
mW/mA
Current Tuning Coefficient
∆λ/∆I
0.015
nm/mA
Temperature Tuning Coefficient
∆λ/∆T
0.12
nm/K
Forward Voltage
Vf
1.3
2
V
Thermistor Resistance
RT
9.5
10
10.5
KΩ
Thermistor Temp. Coefficient
-4.4
%/°C
Connector
FC/APC
Note: All the performance we can guarantee at operation temperature from 20-30deg.
Spectrum
Wavelength Stability
Tuning Characteristics
L-I Curve
Wavelength Stability
DFB Linewidth Testing Result
RIN level Test Results
Panda PM980 Fiber Nominal Characteristics and Tolerances
Parameters
Specification
Fiber Bend Radius
3cm
Max Attenuation
2.1dB/km
Cladding Diameter
125um
Coating Diameter
250um
Core Cladding Concentricity
≤0.5um
Mode Field diameter
6.6um
NA=0.12; FC/APC (narrow key)
The output light is polarized along the slow axis of PM fiber
Thermistor specs
Parameters
Value
Unit
Thermistor Type
NTC
Resitance@25deg
10000
ohm
Resistance Tol.±
1
%
Beta 0-50 deg
3375
K
1
Thermoelectric Cooler (+)
8
N/C
2
Thermistor
9
N/C
3
PD Monitor Anode (-)
10
Laser Anode (+)
4
PD Monitor Cathode (+)
11
Laser Cathode (–)
5
Thermistor
12
N/C
6
N/C
13
Case Ground
7
N/C
14
Thermoelectric Cooler (–)
Absolute Maximum Ratings
Item
Unit
Min
Typ
Max
Case Temperature
℃
-5
25
70
Chip Temperature
℃
20
25
40
Operating Current
mA
0
120
150
Forward Voltage
V
0.8
1.2
2.0
TEC Current
A
-
-
3.0
TEC Voltage
V
4
Reverse Voltage(LD)
V
-
-
2.0
Reverse Voltage(PD)
V
-
-
20
● Tunable diode laser absorption spectroscopy
● Seed laser
● Fiber laser
PL-DFB-□□□□-☆-A8▽-XX-R (R Stands for Room Temperature)
□□□□:Wavelength
852: 852nm
1532: 1532nm
1392: 1392nm
1512: 1512nm
1567: 1567nm
*****
1653.7: 1653.7nm
☆ : Output Power
A: 40mW
B: 70mW
▽: Wavelength Tolerance
1: ±1nm
2: ±2nm
XX: Fiber and Connector Type
SA=HI780+ FC/APC
SP=HI780+ FC/PC
PA=PM980 Fiber+ FC/APC
PP=PM980 Fiber+ FC/PC