
Connet high-quality 2.0um fiber grating reflectors (also called Fiber Laser cavity mirrors) are written in specialty double clad optical fiber with optimized chirped Fiber Bragg Grating (FBG) writing technology. They are specially designed for 2.0um high power continuous and pulsed fiber lasers, suitable for single-mode fiber to the large mode field (LMA) fiber, the pump power handling capacity can reach more than 200W.
Connet can provide various bandwidths and accurately matched high and low reflectivity gratings for different applications. They are offered in heat dissipative package or recoated only.
Specifications:
Parameter | Unit | Specification |
Typical Central Wavelength1 | nm | 1908, 1940, 1980 |
Tolerance on Central Wavelength | nm | 1 |
Type of Reflector | | HR | LR |
Peak Reflectivity2 | % | >99.5 | 10±2 |
FWHM2 (3dB) | nm | 2±0.2 | 1±0.1 |
Side Mode Suppression Ratio | dB | 20 | 10 |
Wavelength Mismatch (LR to HR) | nm | 0.2 |
Input/output Fiber Length | m | 1 |
Package Type | | Recoated or High Power Metal Housing |
Notes:
1. Other central wavelength available on request.
2. Other bandwidth and reflectivity available on request.
Fiber Types:
Fiber Core/Cladding Diameter(um) | Handling Power of Pump (W) | Package |
50 | 200 | Recoated Only | Heat Dissipation Package |
10/130 | √ | | √ | √ |
25/250 | | √ | √ | √ |
25/400 | | √ | √ | √ |
Notes: Other fiber types available on request
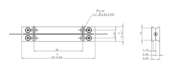
Package Dimensions:
Unit: mm
Ordering Information:
F-1111-2-333-44-5-66
l 1111: Fiber Type
1013: 10/130um NA=0.15/0.46
2525: 25/250um NA=0.11/0.46
2540: 25/400um NA=0.11/0.46
l 2: Grating Type
H: High Reflector
L: Low Reflector
l 333: Central Wavelength in nm
908: 1908nm
l 44: Bandwidth in nm
02: 2nm
l 5: Package
M: Metal Housing
R: Recoated
l 66: Reflectivity in %
99: 99%
10: 10%
Features:
· Extremely Low Temperature Slope
· High Conversion Efficiency
· High Power Handling
· Outstanding Reliability
· Wide Variety of Fiber Types
Applications:
· High Power Fiber Laser
· Pulsed Fiber Laser
Connet high-quality 2.0um fiber grating reflectors (also called Fiber Laser cavity mirrors) are written in specialty double clad optical fiber with optimized chirped Fiber Bragg Grating (FBG) writing technology. They are specially designed for 2.0um high power continuous and pulsed fiber lasers, suitable for single-mode fiber to the large mode field (LMA) fiber, the pump power handling capacity can reach more than 200W.
Connet can provide various bandwidths and accurately matched high and low reflectivity gratings for different applications. They are offered in heat dissipative package or recoated only.
Specifications:
Parameter
Unit
Specification
Typical Central Wavelength1
nm
1908, 1940, 1980
Tolerance on Central Wavelength
nm
1
Type of Reflector
HR
LR
Peak Reflectivity2
%
>99.5
10±2
FWHM2 (3dB)
nm
2±0.2
1±0.1
Side Mode Suppression Ratio
dB
20
10
Wavelength Mismatch (LR to HR)
nm
0.2
Input/output Fiber Length
m
1
Package Type
Recoated or High Power Metal Housing
Notes:
1. Other central wavelength available on request.
2. Other bandwidth and reflectivity available on request.
Fiber Types:
Fiber Core/Cladding Diameter(um)
Handling Power of Pump (W)
Package
50
200
Recoated Only
Heat Dissipation Package
10/130
√
√
√
25/250
√
√
√
25/400
√
√
√
Notes: Other fiber types available on request
Package Dimensions:
Ordering Information:
F-1111-2-333-44-5-66
l 1111: Fiber Type
1013: 10/130um NA=0.15/0.46
2525: 25/250um NA=0.11/0.46
2540: 25/400um NA=0.11/0.46
l 2: Grating Type
H: High Reflector
L: Low Reflector
l 333: Central Wavelength in nm
908: 1908nm
l 44: Bandwidth in nm
02: 2nm
l 5: Package
M: Metal Housing
R: Recoated
l 66: Reflectivity in %
99: 99%
10: 10%
Features:
· Extremely Low Temperature Slope
· High Conversion Efficiency
· High Power Handling
· Outstanding Reliability
· Wide Variety of Fiber Types
Applications:
· High Power Fiber Laser
· Pulsed Fiber Laser