옵틱 클라우드의 Laser Diode - Fabry-Perot Laser Diode (Single Mode) 제품들 입니다.

상호 : 옵틱 클라우드
대표자 : 박기태
연락처 : 042-710-8380
FAX : 042-710-8381
이메일 : sales@opticcloud.co.kr
사업장 주소 : 대전광역시 대덕구 대화로106번길 66, 1023호 (대화동, 펜타플렉스)
사업자등록번호 : 630-38-01201
통신판매업 2023-대전유성-1755
Copyright ⓒ 2023 옵틱 클라우드 All rights reserved.
LD-PD's high power diode laser modules are manufactured by adopting specialized fiber-coupling techniques, resulting in volume products with a high efficiency, stability and superior beam quality. The products are achieved by transforming the asymmetric radiation from the laser diode chip into an output fiber with small core diameter by using special micro optics. Inspecting and burn-in procedures in every aspect come to a result to guarantee each product with the reliability, stability and long lifetime.
Product model
PL-FP-785-B-A81-MA-14BFCentral wavelength: 785nm
Output power: 1000mW
Spectral Width: 3 nm
Package: 14pin - BF
Parameter
● 1000mW output power
● 785nm wavelength
● 105µm fiber core diameter
● 0.22N.A.
Electrical/Optical Characteristics (Tsub=25°C, CW bias unless stated otherwise)
Parameter
Symbol
Min
Typ
Max
Unit
Centre Wavelength
λ
780
785
790
nm
Spectral Width
Δλ
3
5
nm
Threshold Current
Ith
400
mA
Operating Current
Iop
1500
2200
mA
Fiber output Power
Pf
600
1000
1500
mW
PD Dark Current (VRD=5V)
Id
300
500
uA
Wavelength Shift with Temperature
-
0.3
nm/℃
Coupled Fiber Type
105/125/250um (NA=0.22)
Forward Voltage
Vf
1.8
2.5
V
Thermistor Resistance
RT
9.5
10
10.5
KΩ
Thermistor Temp. Coefficient
-4.4
%/°C
Connector
FC/APC
Spectrum
L-I Curve
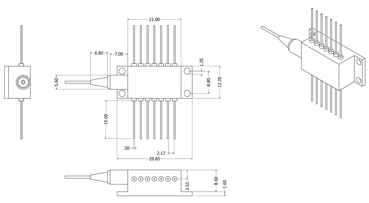
Unit(mm)
1
Thermoelectric Cooler (+)
8
N/C
2
Thermistor
9
N/C
3
PD Monitor Anode (-)
10
Laser Anode (+)
4
PD Monitor Cathode (+)
11
Laser Cathode (–)
5
Thermistor
12
N/C
6
N/C
13
Case Ground
7
N/C
14
Thermoelectric Cooler (–)
Absolute Maximum Ratings
Item
Unit
Min
Typ
Max
Case Temperature
℃
-5
25
70
Chip Temperature
℃
+10
25
40
Operating Current
mA
0
1800
2000
Forward Voltage
V
0.8
1.2
1.8
TEC Current
A
-
2.0
2.2
TEC Voltage
V
8.0
8.75
Reverse Voltage(LD)
V
-
-
1.8
Reverse Voltage(PD)
V
-
-
1
● Laser Raman
● Spectroscopy
● Sensing
● Medical
● Military
PL-FP-□□□□-☆-A8▽-XX
□□□□:Wavelength
633: 633nm
680: 680nm
785: 785nm
915: 915nm
980: 980nm
*****
1550: 1550nm
☆ :Output Power
A:500mW
B:1000mW
▽:Wavelength Tolerance
1:±1nm
2:±2nm
XX: Fiber and Connector Type
SA=HI780+ FC/APC
SP=HI780+ FC/PC
PP=PM 980 + FC/PC
PA=PM980+ FC/APC