옵틱 클라우드의 Laser Diode - Fabry-Perot Laser Diode (Single Mode) 제품들 입니다.

상호 : 옵틱 클라우드
대표자 : 박기태
연락처 : 042-710-8380
FAX : 042-710-8381
이메일 : sales@opticcloud.co.kr
사업장 주소 : 대전광역시 대덕구 대화로106번길 66, 1023호 (대화동, 펜타플렉스)
사업자등록번호 : 630-38-01201
통신판매업 2023-대전유성-1755
Copyright ⓒ 2023 옵틱 클라우드 All rights reserved.
Product model
PL-FP-795-1-A81-SACentral wavelength: 795nm
Output power: 20mW
Spectral Width: 0.8 nm
Package: 14pin - BF
PL-FP-795-1-A81-PACentral wavelength: 795nm
Output power: 20mW
Spectral Width: 0.8 nm
Package: 14pin - BF
Parameter
● Optical output: 30mW
● FC-APC connector
● Efficient coupling into single mode fiber
● 14-pin butterfly package
● CW or pulsed operation
● Internal monitor PD and TEC
● SM or PM Fiber (ø0.9mm)
Electrical/Optical Characteristics (Tsub=25°C, CW bias unless stated otherwise)
Parameter
Symbol
Min
Typ
Max
Unit
Centre Wavelength
λ
793
795
797
nm
Spectral Width
Δλ
0.6
0.8
1.2
nm
Threshold Current
Ith
20
30
mA
Operating Current
Iop
120
150
mA
Fiber output Power
Pf
10
20
30
mW
PD Dark Current (VRD=5V)
Id
0.1
uA
Extinction Ratio(PM VERSION)
PER
17
20
dB
Coupled Fiber Type
HI780
Forward Voltage
Vf
1.8
2.5
V
Thermistor Resistance
RT
9.5
10
10.5
KΩ
Thermistor Temp. Coefficient
-4.4
%/°C
Connector
FC/APC
Spectrum
L-I Curve
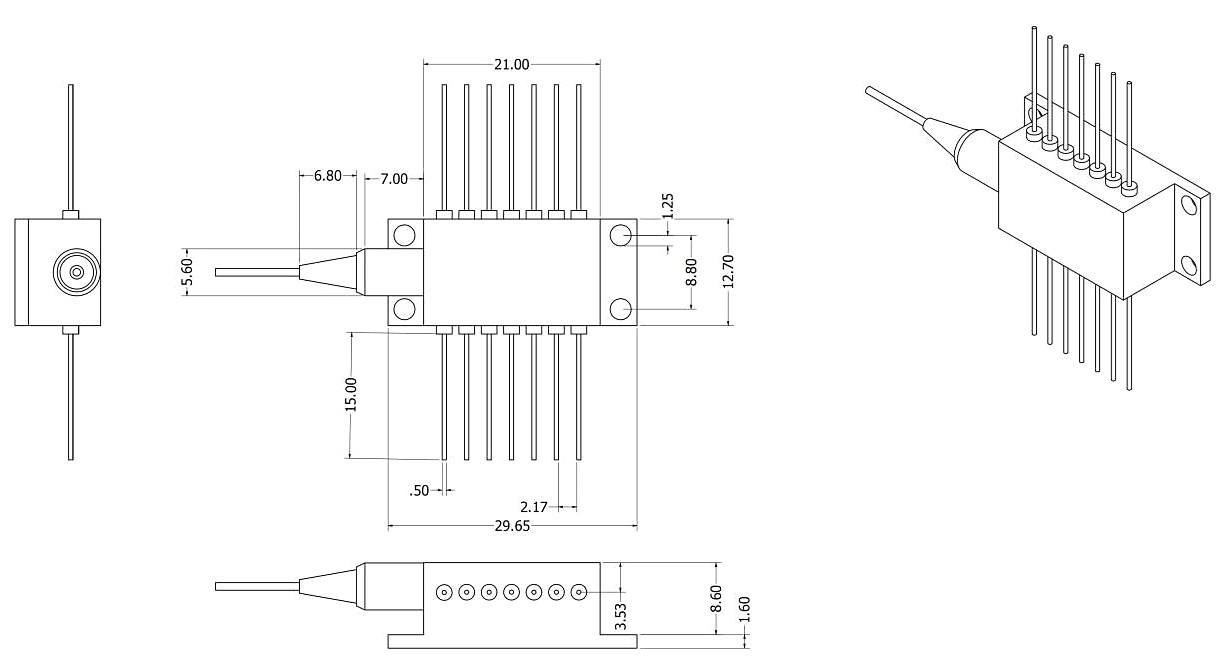
Unit(mm)
1
Thermoelectric Cooler (+)
8
N/C
2
Thermistor
9
N/C
3
PD Monitor Anode (-)
10
Laser Anode (+)
4
PD Monitor Cathode (+)
11
Laser Cathode (–)
5
Thermistor
12
N/C
6
N/C
13
Case Ground
7
N/C
14
Thermoelectric Cooler (–)
Absolute Maximum Ratings
Item
Unit
Min
Typ
Max
Case Temperature
℃
-5
25
70
Chip Temperature
℃
+10
25
40
Operating Current
mA
0
120
150
Forward Voltage
V
0.8
1.2
1.8
TEC Current
A
-
-
1.2
Reverse Voltage(LD)
V
-
-
2.0
Reverse Voltage(PD)
V
-
-
20
● Fiber transmission systems,
● Laser interferometric
● Laser indication
● Testing Light source
PL-FP-□□□□-☆-A8▽-XX
□□□□: Wavelength
405: 405nm
633: 633nm
795: 795nm
680: 680nm
850: 850nm
*****
1550: 1550nm
☆: Output Power
1: 20mW
2: 30mW
▽: Wavelength Tolerance
1: ±1nm
2: ±2nm
XX: Fiber and Connector Type
SA=HI780+ FC/APC
SP=HI780+ FC/PC
PP=PM Fiber+ FC/PC
PA=PM Fiber+ FC/APC