The PL-SLD- W670-B-A81-PA 670nm Superluminescent Diodes bridge the gap between Laser Diodes and Light Emitting Diodes.Like an LD, the SLD provides a high optical output power. LD-PD's SLD feature broadband spectrum characteristics, typically found only in LEDs, and a low coherence. Our SLD features a low coherence length having a high intensity at a narrow radiation angle. This makes the SLD much easier to couple to a fiber for a broad range of applications. SLDs are ideal for Optical Coherence Tomography, fiber sensors such as temperature and strain gauges as well as applications in test and measurement instrumentation.The diode is packaged in 14-pin standard butterfly package with monitor photodiode and thermo-electric cooler (TEC). Module is pigtailed with 0.7-1.0 m of single mode polarization maintaining fiber and connectorized by FC/APC connector
Product model
| 670nm SLD PM Laser Diode |
PL-SLD-670-A-A81-PA | central wavelength 670nm, Output power 3mW,Spectral Width 9nm, PM630, FC/APC | Central wavelength: 670nm Output power: 3mW Spectral Width: 9 nm Package: 14pin - BF |
| 670nm SLD SM Laser Diode |
PL-SLD-670-A-A81-SA | central wavelength 670nm, Output power 3mW,Spectral Width 9nm, SM600, FC/APC | Central wavelength: 670nm Output power: 3mW Spectral Width: 9 nm Package: 14pin - BF |
Parameter
Features
● Optical output: 5mW
● FC-APC connector
● Efficient coupling into single mode fiber
● 14-pin butterfly package
● High optical output power
● Wide spectral half width
● Built-in monitor photo diode
Laser Specifications
Electrical/Optical Characteristics (Tsub=25°C, CW bias unless stated otherwise)
Parameter | Symbol | Min | Typ | Max | Unit |
Centre Wavelength | λ | 660 | 670 | 680 | nm |
Spectral Width | Δλ | 7 | 9 | 12 | nm |
Threshold Current | Ith |
| 30 | 40 | mA |
Operating Current | Iop |
| 200 | 300 | mA |
Fiber output Power | Pf | 2 | 3 | 5 | mW |
PD Dark Current (VRD=5V) | Id |
|
| 0.1 | uA |
Extinction Ratio | PER | 17 | 20 |
| dB |
Coupled Fiber Type | SM600/PM630 |
Forward Voltage | Vf |
| 1.8 | 2.5 | V |
Thermistor Resistance | RT | 9.5 | 10 | 10.5 | KΩ |
Thermistor Temp. Coefficient |
|
| -4.4 |
| %/°C |
Connector | FC/APC |
Spectrum

L-I Curve

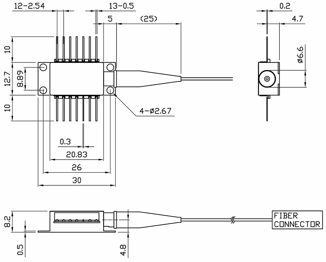
Package Size

Pin definition

1 | Thermoelectric Cooler (+) | 8 | N/C |
2 | Thermistor | 9 | N/C |
3 | PD Monitor Anode (-) | 10 | SLD Anode (+) |
4 | PD Monitor Cathode (+) | 11 | SLD Cathode (–) |
5 | Thermistor | 12 | N/C |
6 | N/C | 13 | Case Ground |
7 | N/C | 14 | Thermoelectric Cooler (–) |
Absolute Maximum Ratings
Item | Unit | Min | Typ | Max |
Case Temperature | ℃ | -5 | 25 | 70 |
Chip Temperature | ℃ | +10 | 25 | 40 |
Operating Current | mA | 0 | 200 | 300 |
Forward Voltage | V | 0.8 | 1.2 | 1.8 |
TEC Current | A | - | 1.2 | 1.4 |
| Reverse Voltage(LD) | V | - | - | 1.8 |
Reverse Voltage(PD) | V | - | - | 10 |
Application
● Fiber transmission systems,
● Fiber optic gyros,
● Fiber optic sensors,
● Optical coherence tomography,
● Testing Light source
Ordering Info
PL-SLD- □□□□-☆-A8▽-XX
□□□□:Wavelength
680:680nm
850:850nm
*****
1550:1550nm
☆ :Output Power
A:3mW
B:5mW
▽:Spectral Width
1:9nm
2:12nm
XX: Fiber and Connector Type
SA=SM600+ FC/APC
SP=SM600+ FC/PC
PP=PM630+ FC/PC
PA=PM630+ FC/APC
Product model
PL-SLD-670-A-A81-PACentral wavelength: 670nm
Output power: 3mW
Spectral Width: 9 nm
Package: 14pin - BF
PL-SLD-670-A-A81-SACentral wavelength: 670nm
Output power: 3mW
Spectral Width: 9 nm
Package: 14pin - BF
Parameter
● Optical output: 5mW
● FC-APC connector
● Efficient coupling into single mode fiber
● 14-pin butterfly package
● High optical output power
● Wide spectral half width
● Built-in monitor photo diode
Electrical/Optical Characteristics (Tsub=25°C, CW bias unless stated otherwise)
Parameter
Symbol
Min
Typ
Max
Unit
Centre Wavelength
λ
660
670
680
nm
Spectral Width
Δλ
7
9
12
nm
Threshold Current
Ith
30
40
mA
Operating Current
Iop
200
300
mA
Fiber output Power
Pf
2
3
5
mW
PD Dark Current (VRD=5V)
Id
0.1
uA
Extinction Ratio
PER
17
20
dB
Coupled Fiber Type
SM600/PM630
Forward Voltage
Vf
1.8
2.5
V
Thermistor Resistance
RT
9.5
10
10.5
KΩ
Thermistor Temp. Coefficient
-4.4
%/°C
Connector
FC/APC
Spectrum
L-I Curve
1
Thermoelectric Cooler (+)
8
N/C
2
Thermistor
9
N/C
3
PD Monitor Anode (-)
10
SLD Anode (+)
4
PD Monitor Cathode (+)
11
SLD Cathode (–)
5
Thermistor
12
N/C
6
N/C
13
Case Ground
7
N/C
14
Thermoelectric Cooler (–)
Absolute Maximum Ratings
Item
Unit
Min
Typ
Max
Case Temperature
℃
-5
25
70
Chip Temperature
℃
+10
25
40
Operating Current
mA
0
200
300
Forward Voltage
V
0.8
1.2
1.8
TEC Current
A
-
1.2
1.4
V
-
-
1.8
Reverse Voltage(PD)
V
-
-
10
● Fiber transmission systems,
● Fiber optic gyros,
● Fiber optic sensors,
● Optical coherence tomography,
● Testing Light source
PL-SLD- □□□□-☆-A8▽-XX
□□□□:Wavelength
680:680nm
850:850nm
*****
1550:1550nm
☆ :Output Power
A:3mW
B:5mW
▽:Spectral Width
1:9nm
2:12nm
XX: Fiber and Connector Type
SA=SM600+ FC/APC
SP=SM600+ FC/PC
PP=PM630+ FC/PC
PA=PM630+ FC/APC