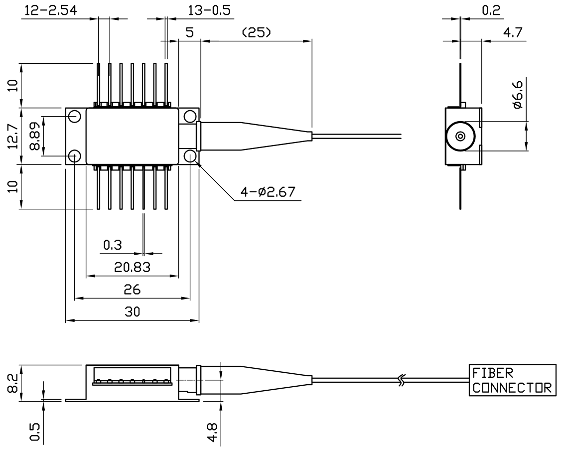
The PL-SLD-1060-A-A81-PA 1060nm Superluminescent Diode is a light source for fiber transmission systems, fiber optic gyros, fiber optic sensors,optical coherence tomography, optical measurements. The diode is packaged in 14-pin standard butterfly package with monitor photodiode and thermo-electric cooler (TEC). Module is pigtailed with 0.7-1.0 m of single mode polarization maintaining fiber and connectorized by FC/APC connector.
| 1060nm SM SLD Laser Diode |
PL-SLD-1060-A-A81-SA | central wavelength 1060nm; output power 2mW; Spectral Width 50-60nm; Internal monitor PD and TEC; HI1060; FC/APC | Central wavelength: 1060nm Output power: 2mW Spectral Width: 50-60 nm Package: 14pin - BF |
| 1060nm PM SLD Laser Diode |
PL-SLD-1060-A-A81-PA | central wavelength 1060nm, output power 2mW; Spectral Width 50-60nm; Internal monitor PD and TEC; PM980; FC/APC | Central wavelength: 1060nm Output power: 2mW Spectral Width: 50-60 nm Package: 14pin - BF |
Parameter
Features
● Optical output: 3mW
● FC-APC connector
● Efficient coupling into single mode fiber
● 14-pin butterfly package
● CW or pulsed operation
● Internal monitor PD and TEC
● SM or PM Fiber (ø0.9mm)
Laser Specifications
Electrical/Optical Characteristics(Tsub=25°C, CW bias unless stated otherwise)
Parameter | Symbol | Min | Typ | Max | Unit |
Centre Wavelength | λ |
| 1060 |
| nm |
Spectral Width | Δλ | 50 | 60 | 70 | nm |
Threshold Current | Ith |
| 30 | 40 | mA |
Operating Current | Iop |
| 200 | 300 | mA |
Fiber output Power | Pf | 3 | 5 | 10 | mW |
PD Dark Current (VRD=5V) | Id |
|
| 0.1 | uA |
Extinction Ratio | PER | 17 | 20 |
| dB |
Coupled Fiber Type | HI1060/PM980 |
Forward Voltage | Vf |
| 1.8 | 2.5 | V |
Thermistor Resistance | RT | 9.5 | 10 | 10.5 | KΩ |
Thermistor Temp. Coefficient |
|
| -4.4 |
| %/°C |
Connector | FC/APC |
Spectrum

L-I Curve

Package Size

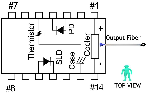
Pin definition

1 | Thermoelectric Cooler (+) | 8 | N/C |
2 | Thermistor | 9 | N/C |
3 | PD Monitor Anode (-) | 10 | Laser Anode (+) |
4 | PD Monitor Cathode (+) | 11 | Laser Cathode (–) |
5 | Thermistor | 12 | N/C |
6 | N/C | 13 | Case Ground |
7 | N/C | 14 | Thermoelectric Cooler (–) |
Absolute Maximum Ratings
Item | Unit | Min | Typ | Max |
Case Temperature | ℃ | -5 | 25 | 70 |
Chip Temperature | ℃ | +10 | 25 | 40 |
Operating Current | mA | 0 | 100 | 300 |
Forward Voltage | V | 0.8 | 1.2 | 1.8 |
TEC Current | A | - | 1.2 | 1.4 |
Reverse Voltage(LD) | V | - | - | 1.8 |
Reverse Voltage(PD) | V | - | - | 10 |
Application
● Fiber transmission systems,
● Fiber optic gyros,
● Fiber optic sensors,
● Optical coherence tomography,
● Testing Light source
Ordering Info
PL-SLD- □□□□-☆-A8▽- -XX
□□□□:Wavelength
680:680nm
850:850nm
*****
1550:1550nm
☆ : Output Power
A: 2mW
B: 5mW
▽: Spectral Width
1: 50-60nm
2: 30-40nm
XX: Fiber and Connector Type
SA=HI1060+ FC/APC
SP=HI1060+ FC/PC
PP=PM980+ FC/PC
PA=PM980+ FC/APC
Product model
PL-SLD-1060-A-A81-SACentral wavelength: 1060nm
Output power: 2mW
Spectral Width: 50-60 nm
Package: 14pin - BF
PL-SLD-1060-A-A81-PACentral wavelength: 1060nm
Output power: 2mW
Spectral Width: 50-60 nm
Package: 14pin - BF
Parameter
● Optical output: 3mW
● FC-APC connector
● Efficient coupling into single mode fiber
● 14-pin butterfly package
● CW or pulsed operation
● Internal monitor PD and TEC
● SM or PM Fiber (ø0.9mm)
Electrical/Optical Characteristics(Tsub=25°C, CW bias unless stated otherwise)
Parameter
Symbol
Min
Typ
Max
Unit
Centre Wavelength
λ
1060
nm
Spectral Width
Δλ
50
60
70
nm
Threshold Current
Ith
30
40
mA
Operating Current
Iop
200
300
mA
Fiber output Power
Pf
3
5
10
mW
PD Dark Current (VRD=5V)
Id
0.1
uA
Extinction Ratio
PER
17
20
dB
Coupled Fiber Type
HI1060/PM980
Forward Voltage
Vf
1.8
2.5
V
Thermistor Resistance
RT
9.5
10
10.5
KΩ
Thermistor Temp. Coefficient
-4.4
%/°C
Connector
FC/APC
Spectrum
L-I Curve
1
Thermoelectric Cooler (+)
8
N/C
2
Thermistor
9
N/C
3
PD Monitor Anode (-)
10
Laser Anode (+)
4
PD Monitor Cathode (+)
11
Laser Cathode (–)
5
Thermistor
12
N/C
6
N/C
13
Case Ground
7
N/C
14
Thermoelectric Cooler (–)
Absolute Maximum Ratings
Item
Unit
Min
Typ
Max
Case Temperature
℃
-5
25
70
Chip Temperature
℃
+10
25
40
Operating Current
mA
0
100
300
Forward Voltage
V
0.8
1.2
1.8
TEC Current
A
-
1.2
1.4
Reverse Voltage(LD)
V
-
-
1.8
Reverse Voltage(PD)
V
-
-
10
● Fiber transmission systems,
● Fiber optic gyros,
● Fiber optic sensors,
● Optical coherence tomography,
● Testing Light source
PL-SLD- □□□□-☆-A8▽- -XX
□□□□:Wavelength
680:680nm
850:850nm
*****
1550:1550nm
☆ : Output Power
A: 2mW
B: 5mW
▽: Spectral Width
1: 50-60nm
2: 30-40nm
XX: Fiber and Connector Type
SA=HI1060+ FC/APC
SP=HI1060+ FC/PC
PP=PM980+ FC/PC
PA=PM980+ FC/APC