The PL-SLD-1290-A-A81 1290nm Superluminescent Diodes bridge the gap between Laser Diodes and Light Emitting Diodes.Like an LD, the SLD provides a high optical output power. PD-LD's SLD feature broadband spectrum characteristics, typically found only in LEDs, and a low coherence. Our SLD features a low coherence length having a high intensity at a narrow radiation angle. This makes the SLD much easier to couple to a fiber for a broad range of applications. SLDs are ideal for Optical Coherence Tomography, fiber sensors such as temperature and strain gauges as well as applications in test and measurement instrumentation.The diode is packaged in 14-pin standard butterfly package with monitor photodiode and thermo-electric cooler (TEC). Module is pigtailed with 0.7-1.0 m of single mode polarization maintaining fiber and connectorized by FC/APC connector.
Product model
| 1290nm SLD PM Laser Diode |
PL-SLD-1290-A-A82-PA | Central wavelength 1290nm, Output power 10mW, Spectral Width 40-50nm, PM1310, FC/APC | Central wavelength: 1290nm Output power: 10mW Spectral Width: 40-50 nm Package: 14pin - BF |
| 1290nm SLD SM Laser Diode |
PL-SLD-1290-A-A82-SA | Central wavelength 1290nm, Output power 10mW, Spectral Width 40-50nm, SMF-28E, FC/APC | Central wavelength: 1290nm Output power: 10mW Spectral Width: 40-50 nm Package: 14pin - BF |
Parameter
Features
● Optical output: 10mW
● FC-APC connector
● Efficient coupling into single mode fiber
● 14-pin butterfly package
● High optical output power
● Wide spectral half width
● Built-in monitor photo diode
Laser Specifications
Electrical/Optical Characteristics(Tsub=25°C, CW bias unless stated otherwise)
Parameter | Symbol | Min | Typ | Max | Unit |
Centre Wavelength | λ | 1280 | 1290 | 1300 | nm |
Spectral Width | Δλ | 30 | 40 | 80 | nm |
Threshold Current | Ith |
| 90 | 110 | mA |
Operating Current | Iop |
| 350 | 500 | mA |
Fiber output Power | Pf | 10 | 20 | 25 | mW |
PD Dark Current (VRD=5V) | Id |
|
| 0.1 | uA |
Extinction Ratio | PER | 17 | 20 |
| dB |
Coupled Fiber Type | SMF-28E/PM1310 |
Forward Voltage | Vf |
| 1.8 | 2.5 | V |
Thermistor Resistance | RT | 9.5 | 10 | 10.5 | KΩ |
Thermistor Temp. Coefficient |
|
| -4.4 |
| %/°C |
Connector | FC/APC |
Spectrum

L-I Curve

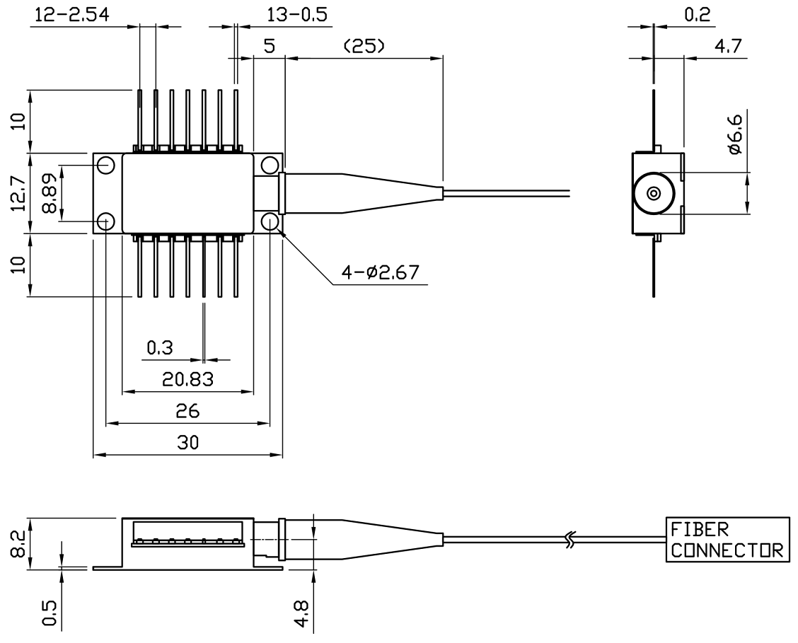
Package Size

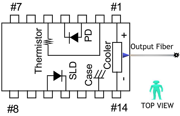
Pin definition

1 | Thermoelectric Cooler (+) | 8 | N/C |
2 | Thermistor | 9 | N/C |
3 | PD Monitor Anode (-) | 10 | SLD Anode (+) |
4 | PD Monitor Cathode (+) | 11 | SLD Cathode (–) |
5 | Thermistor | 12 | N/C |
6 | N/C | 13 | Case Ground |
7 | N/C | 14 | Thermoelectric Cooler (–) |
Absolute Maximum Ratings
Item | Unit | Min | Typ | Max |
Case Temperature | ℃ | -20 | 25 | 70 |
Chip Temperature | ℃ | +10 | 25 | 40 |
Operating Current | mA | 0 | 350 | 600 |
Forward Voltage | V | 0.8 | 1.2 | 1.8 |
TEC Current | A | - | 1.2 | 2.0 |
Reverse Voltage(SLD) | V | - | - | 2.0 |
Reverse Voltage(PD) | V | - | - | 10 |
PD Forward Current | mA | - | - | 10 |
Application
● Fiber transmission systems,
● Fiber optic gyros,
● Fiber optic sensors,
● Optical coherence tomography,
● Testing Light source
Ordering Info
PL-SLD-□□□□-☆-A8▽-XX
□□□□: Wavelength
680: 680nm
850: 850nm
1290: 1290nm
1550: 1550nm
1650: 1650nm
☆: Output Power
A: 10mW
B: 25mW
▽: Bandwidth
1: 60-70nm
2: 40-50nm
XX: Fiber and Connector Type
SA=SMF-28E+ FC/APC
SP=SMF-28E+ FC/PC
PP=PM Fiber+ FC/PC
PA=PM Fiber+ FC/APC
Product model
PL-SLD-1290-A-A82-PACentral wavelength: 1290nm
Output power: 10mW
Spectral Width: 40-50 nm
Package: 14pin - BF
PL-SLD-1290-A-A82-SACentral wavelength: 1290nm
Output power: 10mW
Spectral Width: 40-50 nm
Package: 14pin - BF
Parameter
● Optical output: 10mW
● FC-APC connector
● Efficient coupling into single mode fiber
● 14-pin butterfly package
● High optical output power
● Wide spectral half width
● Built-in monitor photo diode
Electrical/Optical Characteristics(Tsub=25°C, CW bias unless stated otherwise)
Parameter
Symbol
Min
Typ
Max
Unit
Centre Wavelength
λ
1280
1290
1300
nm
Spectral Width
Δλ
30
40
80
nm
Threshold Current
Ith
90
110
mA
Operating Current
Iop
350
500
mA
Fiber output Power
Pf
10
20
25
mW
PD Dark Current (VRD=5V)
Id
0.1
uA
Extinction Ratio
PER
17
20
dB
Coupled Fiber Type
SMF-28E/PM1310
Forward Voltage
Vf
1.8
2.5
V
Thermistor Resistance
RT
9.5
10
10.5
KΩ
Thermistor Temp. Coefficient
-4.4
%/°C
Connector
FC/APC
Spectrum
L-I Curve
1
Thermoelectric Cooler (+)
8
N/C
2
Thermistor
9
N/C
3
PD Monitor Anode (-)
10
SLD Anode (+)
4
PD Monitor Cathode (+)
11
SLD Cathode (–)
5
Thermistor
12
N/C
6
N/C
13
Case Ground
7
N/C
14
Thermoelectric Cooler (–)
Absolute Maximum Ratings
Item
Unit
Min
Typ
Max
Case Temperature
℃
-20
25
70
Chip Temperature
℃
+10
25
40
Operating Current
mA
0
350
600
Forward Voltage
V
0.8
1.2
1.8
TEC Current
A
-
1.2
2.0
Reverse Voltage(SLD)
V
-
-
2.0
Reverse Voltage(PD)
V
-
-
10
PD Forward Current
mA
-
-
10
● Fiber transmission systems,
● Fiber optic gyros,
● Fiber optic sensors,
● Optical coherence tomography,
● Testing Light source
PL-SLD-□□□□-☆-A8▽-XX
□□□□: Wavelength
680: 680nm
850: 850nm
1290: 1290nm
1550: 1550nm
1650: 1650nm
☆: Output Power
A: 10mW
B: 25mW
▽: Bandwidth
1: 60-70nm
2: 40-50nm
XX: Fiber and Connector Type
SA=SMF-28E+ FC/APC
SP=SMF-28E+ FC/PC
PP=PM Fiber+ FC/PC
PA=PM Fiber+ FC/APC