
A superluminescent diode (SLED or SLD) is an edge-emitting semiconductor light source based on super luminescence. It combines the high power and brightness of laser diodes with the low coherence of conventional light-emitting diodes. LD-PD has been designing and fabricating SLEDs in our fab, in the 1200 to 1700nm wavelength range, we have the highest power & widest bandwidth devices in the industry.
Recognizing the need for SLEDs with Low Degree of Polarization for the FOG and FBGL sensing markets,LD-PD has now developed a range of devices to meet the demanding specifications of these markets.
Product model
| 1310nm LOW DOP SLED |
PL-LDOP-SLD-W1310-C-PA-A82 | Central wavelength 1310nm, output power 2mW, Bandwidth FWHM 40-50nm, PM1310, FC/APC | Central wavelength: 1310nm Output power: 2mW Package: 14pin - BF
|
Parameter
Features
● PER Max of 1.0dB
● Low current option of 180mA availble
● Both 14 & 8 pin BTF,14PIN DIL versions available
E/O Characteristics
Tsub=25°C, CW bias unless stated otherwise
Parameter | Symbol | Min. | Typ. | Max. | Unit | Test Conditions |
Center Wavelength | λ | 1290 | 1310 | 1330 | nm | 100mA,25℃ |
Forward | Iop | - | 100 | 150 | mA | 100mA,25℃ |
Power in fiber | Pf | 0.5 | 0.8 | 1.0 | mW | Low/100mA,25℃ |
1.0 | 1.3 | 1.6 | Medium/100mA,25℃ |
1.5 | 2.0 | - | High/100mA,25℃ |
Bandwidth FWHM |
| 40 | 50 |
| nm | 100mA,25℃ |
Spectral Ripple | R |
| 0.1 | 0.2 | dB | 100mA,25℃ |
Polarization Extinction Ratio | - |
|
| 1.0 | dB | 100mA,25℃ |
Parameter | Symbol | Min. | Typ. | Max. | Unit |
TEC driving current | TECL | . | - | 1000 | mA |
TEC Controller Resistance Setting | TECR | 9.8 | 10 | 10.2 | kohm |
Connector Type | . | FC/APC | - |
Fiber Type | - | PM 6um fiber, 900um loose buffer | - |
Fiber Length | . | 1200 | - | - | mm |
Storage temperature | TS | -50 | - | +85 | °C |
Spectrum

L-I Curve

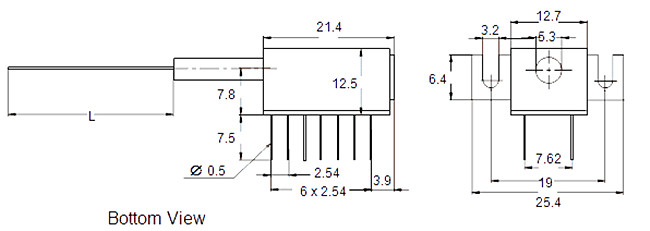
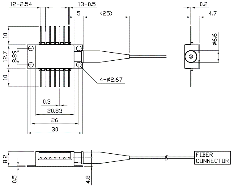
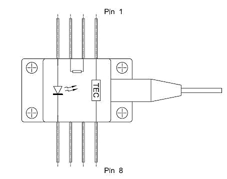
Dimensions and Pin definitions
Ⅰ. 14pin DIL


Pin definition
1 | Thermoelectric Cooler (+) | 8 | PD Anode (-) |
2 | N/C | 9 | LD Cathode (-) |
3 | N/C | 10 | N/C |
4 | N/C | 11 | Thermistor |
5 | LD Anode (+) | 12 | Thermistor |
6 | N/C | 13 | N/C |
7 | PD Cathode (+) | 14 | Thermoelectric Cooler(–) |
Ⅱ. 14pin Butterfly Package


Pin definition
Pin Number | Connection | Pin Number | Connection |
1 | Thermoelectric Cooler (+) | 8 | N/C |
2 | Thermistor | 9 | N/C |
3 | PD Monitor Anode (-) | 10 | SLD Anode (+) |
4 | PD Monitor Cathode (+) | 11 | SLD Cathode (–) |
5 | Thermistor | 12 | N/C |
6 | N/C | 13 | Case Ground |
7 | N/C | 14 | Thermoelectric Cooler (–) |
Ⅲ. 8pin Butterfly Package


Pin definition
Pin Number | Connection | Pin Number | Connection |
1 | TEC Cooler (+) | 5 | SLD Cathode (-) |
2 | Thermistor1 | 6 | NC |
3 | Thermistor1 | 7 | NC |
4 | SLD Anode (+) | 8 | TEC Cooler (-) |
Absolute Maximum Ratings
Parameter | Symbol | Min | Typical | Max | Unit |
Storage Temperature | TS | -55 | - | +85 | ℃ |
Operating Temperature | Tc | -45 | - | +70 | ℃ |
Reverse Voltage | VCC | - | - | 2.0 | V |
Forward current | Ic | - | - | 200 | mA |
Thermoelectric cooler voltage | V | - | - | 3.2 | V |
Thermoelectric cooler current | I | - | - | 1.2 | A |
Storage humidity | - | 5 | - | 85 | %RH |
Lead solder temperature | - | - | - | 260 | ℃ |
Lead solder time | - | - | - | 10 | S |
Tensile strength of pigtail | - | 1 | - | - | kgf |
Application
● FBGL Sensing
● Fiber Optics Gyro
● FOCT
Ordering Info
PL-LDOP-SLD- W□□□□-☆--XX -A8▽
□□□□:Wavelength
850:850nm
1310:1310nm
1550:1550nm
☆ :Output Power
A:0.8mW
B:1.3mW
C:2.0mW
XX: Fiber and Connector Type
SA=SMF-28E+ FC/APC
SP=SMF-28E+ FC/PC
PP=PM Fiber+ FC/PC
PA=PM Fiber+ FC/APC
A8▽ Package Type
1: 14pin DIL
2: 14BF
3: 8BF
A superluminescent diode (SLED or SLD) is an edge-emitting semiconductor light source based on super luminescence. It combines the high power and brightness of laser diodes with the low coherence of conventional light-emitting diodes. LD-PD has been designing and fabricating SLEDs in our fab, in the 1200 to 1700nm wavelength range, we have the highest power & widest bandwidth devices in the industry.
Recognizing the need for SLEDs with Low Degree of Polarization for the FOG and FBGL sensing markets,LD-PD has now developed a range of devices to meet the demanding specifications of these markets.
Product model
PL-LDOP-SLD-W1310-C-PA-A82Central wavelength: 1310nm
Output power: 2mW
Package: 14pin - BF
Parameter
● PER Max of 1.0dB
● Low current option of 180mA availble
● Both 14 & 8 pin BTF,14PIN DIL versions available
Tsub=25°C, CW bias unless stated otherwise
Parameter
Symbol
Min.
Typ.
Max.
Unit
Test Conditions
Center Wavelength
λ
1290
1310
1330
nm
100mA,25℃
Forward
Iop
-
100
150
mA
100mA,25℃
Power in fiber
Pf
0.5
0.8
1.0
mW
Low/100mA,25℃
1.0
1.3
1.6
Medium/100mA,25℃
1.5
2.0
-
High/100mA,25℃
Bandwidth FWHM
40
50
nm
100mA,25℃
Spectral Ripple
R
0.1
0.2
dB
100mA,25℃
Polarization Extinction Ratio
-
1.0
dB
100mA,25℃
Parameter
Symbol
Min.
Typ.
Max.
Unit
TEC driving current
TECL
.
-
1000
mA
TEC Controller Resistance Setting
TECR
9.8
10
10.2
kohm
Connector Type
.
FC/APC
-
Fiber Type
-
PM 6um fiber, 900um loose buffer
-
Fiber Length
.
1200
-
-
mm
Storage temperature
TS
-50
-
+85
°C
Spectrum
L-I Curve
Ⅰ. 14pin DIL
Pin definition
1
Thermoelectric Cooler (+)
8
PD Anode (-)
2
N/C
9
LD Cathode (-)
3
N/C
10
N/C
4
N/C
11
Thermistor
5
LD Anode (+)
12
Thermistor
6
N/C
13
N/C
7
PD Cathode (+)
14
Thermoelectric Cooler(–)
Ⅱ. 14pin Butterfly Package
Pin definition
Pin Number
Connection
Pin Number
Connection
1
Thermoelectric Cooler (+)
8
N/C
2
Thermistor
9
N/C
3
PD Monitor Anode (-)
10
SLD Anode (+)
4
PD Monitor Cathode (+)
11
SLD Cathode (–)
5
Thermistor
12
N/C
6
N/C
13
Case Ground
7
N/C
14
Thermoelectric Cooler (–)
Ⅲ. 8pin Butterfly Package
Pin definition
Pin Number
Connection
Pin Number
Connection
1
TEC Cooler (+)
5
SLD Cathode (-)
2
Thermistor1
6
NC
3
Thermistor1
7
NC
4
SLD Anode (+)
8
TEC Cooler (-)
Absolute Maximum Ratings
Parameter
Symbol
Min
Typical
Max
Unit
Storage Temperature
TS
-55
-
+85
℃
Operating Temperature
Tc
-45
-
+70
℃
Reverse Voltage
VCC
-
-
2.0
V
Forward current
Ic
-
-
200
mA
Thermoelectric cooler voltage
V
-
-
3.2
V
Thermoelectric cooler current
I
-
-
1.2
A
Storage humidity
-
5
-
85
%RH
Lead solder temperature
-
-
-
260
℃
Lead solder time
-
-
-
10
S
Tensile strength of pigtail
-
1
-
-
kgf
● FBGL Sensing
● Fiber Optics Gyro
● FOCT
PL-LDOP-SLD- W□□□□-☆--XX -A8▽
□□□□:Wavelength
850:850nm
1310:1310nm
1550:1550nm
☆ :Output Power
A:0.8mW
B:1.3mW
C:2.0mW
XX: Fiber and Connector Type
SA=SMF-28E+ FC/APC
SP=SMF-28E+ FC/PC
PP=PM Fiber+ FC/PC
PA=PM Fiber+ FC/APC
A8▽ Package Type
1: 14pin DIL
2: 14BF
3: 8BF