옵틱 클라우드의 Laser Diode - Superluminescent Diode (SLD) 제품들 입니다.

상호 : 옵틱 클라우드
대표자 : 박기태
연락처 : 042-710-8380
FAX : 042-710-8381
이메일 : sales@opticcloud.co.kr
사업장 주소 : 대전광역시 대덕구 대화로106번길 66, 1023호 (대화동, 펜타플렉스)
사업자등록번호 : 630-38-01201
통신판매업 2023-대전유성-1755
Copyright ⓒ 2023 옵틱 클라우드 All rights reserved.
Product model
HS-6312-0003Central wavelength: 1310nm
Output power: 1mW
Parameter
● High power > 1.0mW @100mA
● Wide spectrum > 35nm @3dB
● Precise TEC temperature control
● High reliability
● RoHS compliant
Optoelectronic Performance Parameters (T=25℃, 100mA)
Parameter
Symbol
Unit
Typical Performance Index
Fiber Output Power
Pf
mW
≥1.0
Average Wavelength
λ
nm
1290-1320
3dB Spectral Width
Δλ
nm
≥35
Ripple
M
dB
≤0.2
Polarization Extinction Ratio
PER
dB
≤1.0
Fiber Type
-
-
SM PM 6/125/250
Package Type
-
-
6 Pin
Operating Temperature
TW
°C
-45~70
Storage Temperature
TS
°C
-55~85
Thermistor coefficient
-
-
3950
Power Variation @ Operating Temperature
2*(Pmax-Pmin)/(Pmax+Pmin)
-
%
<8
Maximum Parameter Range (T=25°C, If=150mA)
Parameter
Symbol
Unit
Typical Performance Index
Reverse Voltage
VR
V
≤3
Power-on Current
IF
mA
100
TEC Current
IC
A
≤1.2
Fiber Bending Radius
mm
≥30
Soldering Temperature
-
°C
≤260(10s)
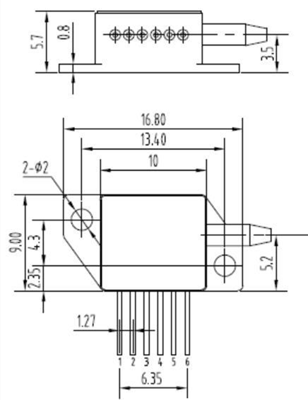
PackSage ize
unit (mm)
Pin definition
1
SLD (+)
2
SLD(-)
3
Thermistor
4
Thermistor
5
TEC-
6
TEC+
Fiber Specification
Fiber Specification
Min
Typ
Max
Unit
Fiber type
SM PM 6/125/250
Loose tube length
12
cm
Fiber length
1.0
-
-
m
Connector type
None
Safety Marking
Note:
• Invisible laser radiation. Avoid direct or scattered radiation exposure to eyes or skin.
● Fiber Optic Gyroscope
● Optical Measurement
● Fiber Optic Sensing